上海鄂互電氣科技有限公司產品展示
當前位置:主頁 > 產品展示 > 戶內高壓真空斷路器 > VS1(VBM7)-12係列側裝式戶內高壓真空斷路器

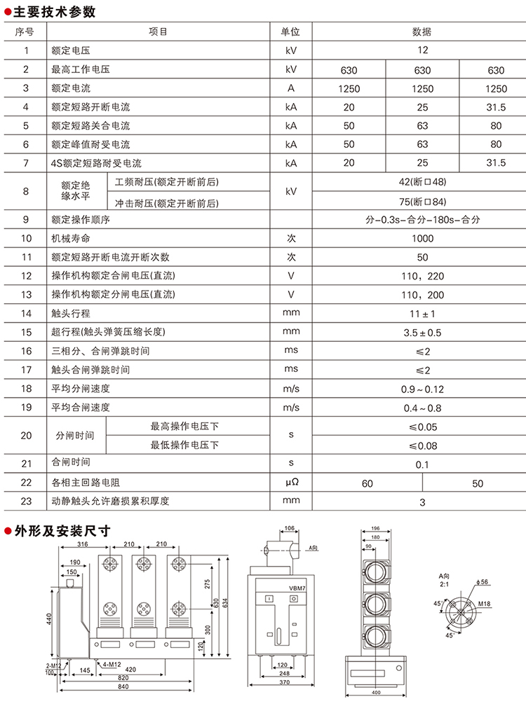
VS1(VBM7)-12係列側裝式戶內高壓真空斷路器

更新時間:2026-03-25 17:05:52

電    話: 郵    箱: 地    址:浦東新區泥城鎮新城路2號24幢

詳細介紹


上一篇:沒有了

下一篇:ZN28-12戶內高壓真空斷路器