上海鄂互電氣科技有限公司新聞資訊
電壓互感器的接線方式與端子標示介紹
時間:2026-03-25 08:37:07 點擊次數:28095

電壓互感器電網係統中一般有四種接線方法,電壓互感器接線接地、相位等必需按嚴峻的接法,而且電壓互感器二次側阻止短路。

1Vv接線方法:遍及用於中性點絕緣 

係統或經消弧線圈接地的35KV及以下的高壓三相係統,特別是10KV三相係統,接線來源於三角形接線,僅僅沒閉住,稱為Vv接,此接線方法可以儉省一台電壓互感器,可滿意三相有功、無功電能計量的懇求,但不能用於測量相電壓,不能接入監督係統絕緣情況的電壓表。

電壓互感器V/V接法

 

V/V接法原理圖

 

V/V接法3D表示圖

2Y,yn接線方法:shouyaoxuanyongsantiexinzhusanxiangdianyahuganqi,duoyongyuxiaodianliujiedidegaoyasanxiangxitong,ercicezhongxingjiexianyinchujiedi,cijiexianweilebimiangaoyacedanxiangjiediquedian,gaoyacezhongxingdianbuyunxujiedi,gubunengceliangduididianya。

電壓互感器Y/Y接法

 

Y/Y接法原理圖

 

Y/Y接法3D表示圖

3YN,yn接線方法:多用於大電流接地係統。

4YN,yn,do接線方法:yechengweiqichisanjiaojiexian,zaizhengchangyunzhuanzhuangtaixia,qichisanjiaodeshuchuduanshangdedianyajunweiling,jiadingxitongchanshengyixiangjiedishi,qitalianggeshuchuduandechukoudianyaweimeixiangshengyudianyaraozuercidianyade3倍,這樣便於交流絕緣監督電壓繼電器的電壓整定,但此接線方法在10KV及以下的係統中不選用。

一、一個單相電壓互感器接線方法

 

一個單相電壓互感器接線方法

一個單相電壓互感器的接線,用於對稱的三相電路,二次側可接外表和繼電器。

二、兩個單相電壓互感器互V/V型的接線方法

 

兩個單相電壓互感器V/V型的接線方法

兩個單相電壓互感器的V/V形接線,可測量線電壓,但不能測相電壓,它遍及應用在20kV以下中性點不接地或經消弧線圖接地的電網中。

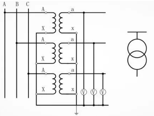
三、三個單相電壓互感器Y0/Y0型的接線方法

 

三個單相電壓互感器Y0/Y0型的接線方法

可供給懇求測量線電壓的外表和繼電器,以及懇求供給相電壓的絕緣監察電壓表。

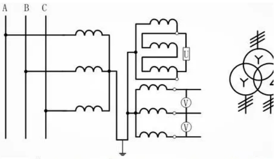
四、三個單相三繞組電壓互感器或一個三相五柱式三繞組電壓互感器接成Y0/Y0/Δ

 

三個單相三繞組電壓互感器或一個三相五柱式三繞組電壓互感器接成Y0/Y0/Δ

接成Y0形的二次線圈供電給外表、繼ji電dian器qi及ji絕jue緣yuan監jian察cha電dian壓ya表biao等deng。輔fu佐zuo二er次ci線xian圈quan接jie成cheng啟qi齒chi三san角jiao形xing,供gong電dian給gei絕jue緣yuan監jian察cha電dian壓ya繼ji電dian器qi。當dang三san相xiang係xi統tong正zheng常chang作zuo業ye時shi,三san相xiang電dian壓ya均jun衡heng,啟qi齒chi三san角jiao形xing兩liang端duan電dian壓ya為wei零ling。當dang某mou一yi相xiang接jie地di時shi,啟qi齒chi三san角jiao形xing兩liang端duan呈cheng現xian零ling序xu電dian壓ya,使shi絕jue緣yuan監jian察cha電dian壓ya繼ji電dian器qi動dong作zuo,發fa出chu信xin號hao。用yong於yu3220kV係統(110kV及以上無高壓熔斷器),供接入交流電網絕緣監督外表和繼電器用。

電壓互感器端子標明

1一般規矩

本ben電dian壓ya互hu感gan器qi端duan子zi標biao明ming適shi用yong於yu單dan相xiang電dian壓ya互hu感gan器qi,也ye適shi用yong於yu單dan互hu相xiang感gan器qi裝zhuang配pei為wei一yi台tai全quan體ti的de三san相xiang接jie線xian的de互hu感gan器qi或huo具ju有you三san相xiang共gong用yong死si心xin的de三san相xiang電dian壓ya互hu感gan器qi。

2標誌內容

電壓互感器端子標明應依照下節圖示選取恰當的標誌。

電壓互感器端子標明大寫字母A、B、CN標明一次繞組端子,而小寫字母a、b、cn則標明相應的二次繞組端子。

電壓互感器端子標明大寫字母A、BC標明全絕緣端子,而字母N則標明接地端子,其絕緣性能比其他端子低。

電壓互感器端子標明複合字母dadn標明供給剩餘電壓的繞組端子。

2標誌內容

電壓互感器端子標明中標有同一字母大寫或小寫的端子,在同一霎時具有同一極性。

 

 

 

 

A、B、C、N為一次繞組端子;1a、1b、1c、1n、2a、2b、2c、2n為二次繞組端子。